おかげさまで開設25周年BODYSHOCK.GR 創業祭

BODYSHOCK.GR

詳しくはこちら
マイストア マイストア 変更
  • 即日配送
  • 広告
  • 取置可能
  • 店頭受取

HOT ! その他 6-1/2 Digital Multimeter_YOKOGAWA 7561

※BODYSHOCK.GR 限定モデル
YouTuberの皆様に商品の使い心地などをご紹介いただいております!
紹介動画はこちら

ネット販売
価格(税込)

8700

  • コメリカード番号登録、コメリカードでお支払いで
    コメリポイント : 5ポイント獲得

コメリポイントについて

購入個数を減らす
購入個数を増やす

お店で受け取る お店で受け取る
(送料無料)

受け取り店舗:

お店を選ぶ

近くの店舗を確認する

納期目安:

13時までに注文→17時までにご用意

17時までに注文→翌朝までにご用意

受け取り方法・送料について

カートに入れる

配送する 配送する

納期目安:

2026.03.11 0:24頃のお届け予定です。

決済方法が、クレジット、代金引換の場合に限ります。その他の決済方法の場合はこちらをご確認ください。

※土・日・祝日の注文の場合や在庫状況によって、商品のお届けにお時間をいただく場合がございます。

即日出荷条件について

受け取り方法・送料について

カートに入れる

欲しいものリストに追加

欲しいものリストに追加されました

その他 6-1/2 Digital Multimeter_YOKOGAWA 7561の詳細情報

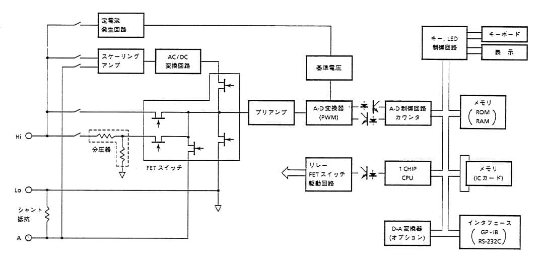
YOKOGAWA6-1/2 高精度デジタルマルチメーターModel : 756102-B-1No.40CC0140- インターフェース: RS-232C,EXT.TRIG & OUTPUT- 電源: AC 100V全面パネルのメモリーカード挿入口が破損しています。フロントパネルのベゼル部は塗装が施されています。画像8:DC Source (YOKOGAWA 7651)から1.0000mVを出力しHP 34401A (6-1/2)と比較しました。画像10:DC Source (YOKOGAWA 7651)から10.0000Vを出力しHP 34401A (6-1/2)と比較しました。上記条件で4-Wireモードにしました、測定リード線の抵抗値はキャンセルされています。画像13:抵抗測定で4-Wireモードで測定リード線の抵抗値の影響が除去されて測定されています。お送りするのは本体のみで測定に使用したケーブルと機材は含みません。現状でのお渡しで納得いただける方のご検討をお願い致します。AC機能付は7562です。アマチュア無線機 スタンダードC550。三田無線 デリカ デジタル ディップメーター DMC-230 通電確認済。YAESU  FC-20 オ-トマチックアンテナチュ-ナ-。リアパネルの左下の脚に修復痕があります。アイコム729sゼネカバ仕様。AH-705 アイコム IC-705用オートアンテナチューナ。画像1:カタログ7562のフロントパネル画像2:出品製品7561のフロントパネル画像3〜7:外観のチェックをお願いします。ALINCO 直流安定化電源 DM-330MV。カルメン CB無線 6発 13.8v リニア 検索NASA オーフナ 大網。画像9:DC Source (YOKOGAWA 7651)から1.00000Vを出力しHP 34401A (6-1/2)と比較しました。三菱2SC3240 正規品 CB無線。VIBROPLEX バイブロ バグキー。画像11:DC Source (YOKOGAWA 7651)から1.00000mAを出力しHP 34401A (6-1/2)と比較しました。八重洲無線 144/430MHz帯ハンディ機 FT-51ND。NASAタイプ電源コード 5本組 #ユニデン  #カルメン  #プレジデント。画像12:抵抗測定で2-Wireモードで測定リード線の抵抗値の影響が測定されています。KENWOOD CWクリスタルフィルター YG-455C-1 500HZ 中古。【本】コリンズのメンテナンス。画像14:ブロックダイアグラム画像15:動作原理画像16:DC電圧レンジと分解能画像17:DC電流レンジと分解能画像18:抵抗レンジと分解能上記検査のみ確認しました。HIMOUND HK-710 電鍵 大理石 ★美品★。アンテナアナライザー EU1KY v3。全ての測定器は校正をかけておりませんので精度の保証はありません。モ*キ様 ニキシー管 日本電気 LD-744 5ヶ。ALINCO DR-620D & KENWOOD TM-721GS等7点セット。追試依頼及び質問はコメントからどうぞ!本製品は7561でAC-V,AC-Iの機能は無いので注意して下さい。COMET コメット アンテナチューナー CAT-300。専用。特定省電力無線機セット。お手元に届いて説明と異なるときは評価の前に測定条件を添えてコメントをお願いします。速かに対応します。IC−DPR3。ご覧いただき有難うございます。

同じカテゴリの 商品を探す

ベストセラーランキングです

このカテゴリをもっと見る

この商品を見た人はこんな商品も見ています

近くの売り場の商品

このカテゴリをもっと見る

カスタマーレビュー

オススメ度  4.5点

現在、3375件のレビューが投稿されています。